Sản Phẩm Chi tiết
BỘ TRUYỀN ĐỘNG YZ02A-M
- Giá : Liên Hệ
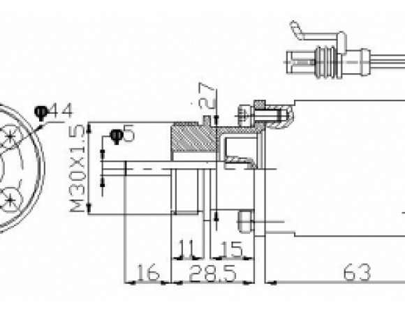
- Mô tả - Bộ truyền động YZ02A-M thích hợp cho động cơ của hãng MITSUBISHI "S" và "L". - Bộ YZ02A-M là bộ điều tốc điện tử nó giám sát vòng quay ngỏ ra bằng cơ cấu nam châm điện . Bộ truyền động điện tử YZ02A-M được sử dụng khá phổ biến để điều khiển nhiên liệu động cơ, vì phản ứng nhạy bén, hiệu suất đáng tin cậy, tuổi thọ cao, dể dàng lắp đặt nên rất được tin dùng.
- Lượt xem : 1629
- Thông tin sản phẩm
Đặc điểm kỹ thuật
|
Đặc tính |
Moment lực hút 40N |
Góc h/đ của tay cầm 13mm |
Thời gian đáp ứng 40ms |
||||
|
Đặc điểm điện từ |
Hệ thống điện áp DC12V/24V |
Điện trở cuộn dây (12V) 2.5Ω |
Điện trở cuộn dây (24V) 7.0Ω |
|
|
||
|
Dòng hoạt động định mức (12V) 1.8A |
Dòng hoạt động định mức (24V) 1.2A |
Dòng làm việc Max (12V) 4A |
Dòng làm việc Max (24V) 2.6A |
||||
|
Môi trường làm việc |
Nhiệt độ môi trường -40°C ~ +115°C |
Độ ẩm tương đối <95% |
|||||
|
Trọng lượng |
1.1kg |
||||||


